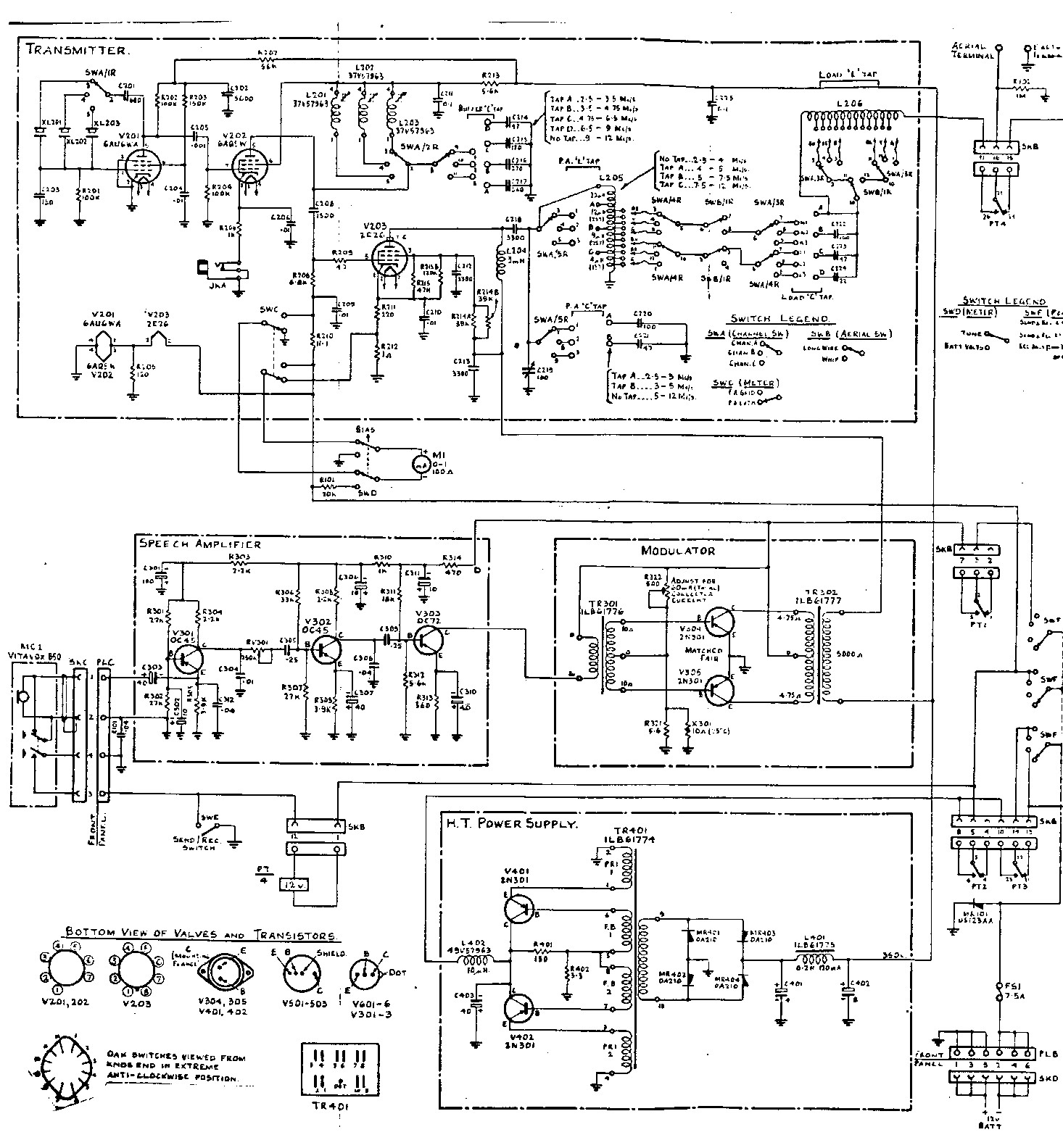
WRE Type 2 Transceiver - Transmitter Section - Circuit Diagram

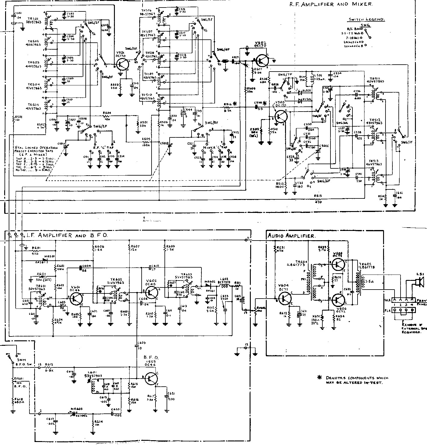
WRE Type 2 Transceiver - Receiver Section - Circuit Diagram