![]() |
|
Introduction
The usual Z Match Tuner is somewhat limited to powers in the order of 100 watts. To provide matching for a wide range of load impedances on all the HF amateur bands, it is normally necessary to use tuning capacitors with maximum capacitance as high as 350pf. For this capacitance, it is difficult to find tuning capacitors with plate spacing greater than 0.25mm and hence breakdown voltage is limited to around 1000 volts. However there are gang capacitors around which have up to 200pf maximum capacitance with spacing of 0.5mm providing 2000V breakdown and power of 400 watts..
A few years ago I assembled a Single coil Z Match which could handle at least the 400 watts of power using two 3 gang capacitors I had on hand. These had a maximum capacitance of 200pf and plate spacing of 0.5mm. Combined with some fixed capacitors and switching, these were used to achieve the full load impedance and frequency range of the basic Z Match circuit but with the higher power rating. The arrangement also allowed matching at 1.8 Mhz.
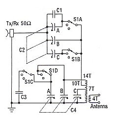
The Circuit


The circuit diagram is shown in figure 1. The coil was made to the precise detail as for the normal unit using the perspex support sheet previously described. As previously introduced, I selected a pair of three gang tuning capacitors which had 0.5 mm plate spacing. At this spacing, breakdown voltage is around 2000 allowing operation at a power in the order of 400 W PEP. Each gang section measured a minimum capacity of 15 pF and a maximum capacity of 200 pF.
Referring to curves I previously had published in Amateur Radio, it is seen that a maximum capacity of 200 pF is too low for 3.5 MHz and two sections of each gang must be paralleled for this band. On the other hand, the minimum capacity of two sections in parallel is 30 pF and this value is too large for the series input capacitor at 28 MHz and too large for the shunt capacitor at 7 MHz. Hence, the paralleled sections are switched in at 3.5 MHz and switched out at higher frequencies - a price I was prepared to pay for using wider spaced capacitors to achieve the higher power rating of the unit.
The unit also includes provision for operation at 1.8 MHz with load resistances between 10 and 100 ohms. 1 did not think I would ever have an antenna at 1.8 MHz with any higher radiation resistance than 100 ohms and provision for higher load resistance was not included. .
A three position Oak switch with ceramic wafers (S1) provides selection of 1.8, 3.5, or 7-28 MHz. At the higher frequencies, only single sections of the ganged capacitors are connected. At 3.5 MHz, a second section of gang is switched across the input capacitor and a second section is switched across the full winding of the coil. At 1.8 MHz, a 400pF fixed capacitor and a third gang section are added across the input capacitor and a 950 pF fixed capacitor is added across the full winding of the coil. Fixed capacitors of at least 750 volt rating are required for the 1.8 MHz circuit and finding a source of supply of these can be a problem. 1 found sufficient high voltage mica capacitors in the junk box to parallel up for the required values. Rated at 2000 volts, they were more than adequate for the job.
Included but not shown in figure 1, is the switchable 1.2uH inductor as now added to more recent versions of the Z Match tuner (refer figure 2).
![]() |
|

Performance
Bench tests on the new unit confirmed previous results of tests carried out on the basic units and it worked fine with my own antennas on all bands. I did find that at 14 MHz it was sometimes necessary to operate the unit in the 3.5 MHz switch position so that two sections of the tuning gangs were in circuit. At 1.8 MHz, antenna current for a given transmitter power was only marginally less than with the L match network I normally use on this band.
The maximum power allowed for amateur stations in Australia is 400 watts and the unit handles this nicely with no arcing problems.